Table of Contents
Envelope Follower
based on Harry Bissel
a SMD Variant, ready for Pick and Place
open-hardware, all Kicad-Files, and Gerbers are includet!

–shown 2 identical boards on one pcb - to save money..
Features
 * audio in
 * Envelope out
 * Gate out + Gate Threshold-Poti
 * Full-wave rectifier
 * 3 identical Peakdetectors which are Reseted from a “stepper”
 * a Osciallator with tunable Frequency to drive the stepper
 * Smoothingcap set via Jumper
 * Debugging Jumpers
 * PTC and Diode Polarity Protection on the Supply-side
Hardware Requirements
- This Device i build as input module for my CV1 Project, but can be used for other things too
 
- Soldering Iron - with a Dip that can Handle SMD-Parts, Wires, solder Paste…
 
- Eurorack Power Source +-12V!
 
Building
The Design is optimized for Pick and Place most SMD Parts are on the Top-PCB
i ordered 5 PCBs from JLCPCP with almost all SMD Parts presoldered(except 2 SOIC chips PTC and Protection Diode) 
now waiting for Presoldered PCBs

Frontpanel
 - Eurorack Alu-Plate
BOM LCSC
these are the parts which are presoldered by the Pick and Place Machine, these are “Basic” Parts
the values with a “x” in it, like Dx1 — are because there are 2 Identical Parts on 1 PCB, because there 2PCBs on 1PCB…. so Dx1 is the same like D1, but its position is on the second board.
| Value | Designator | Footprint | LCSC Part Number | Library-Type | 
|---|---|---|---|---|
| 100nF | C1,CU1,CI1,CIx1,CUx1,Cx1,CU2,CI2,CIx2,CUx2,CP3,CI3,CIx3,CPx3,CP4,CI4,CIx4,CPx4,C4,Cx4,CI5,CIx5,CI6,CIx6,CI7,CIx7,CI8,CIx8,CI9,CIx9,CI10,CIx10 | 1206 | C24497 | |
| 1nF | C102,Cx102,C103,Cx103,C202,Cx202,C203,Cx203,C302,Cx302,C303,Cx303 | 1206 | C35216 | |
| 47uF | CP1,CPx1,CP2,CPx2 | 1206 | C96123 | |
| 1N4148W | D1,Dx1,D2,Dx2,D7,Dx7,D8,Dx8,D103,Dx103,D104,Dx104,D105,Dx105,D106,Dx106,D203,Dx203,D204,Dx204,D205,Dx205,D206,Dx206,D303,Dx303,D304,Dx304,D305,Dx305,D306,Dx306 | SOD123 | C81598 | |
| TL072 | IC1,ICx1,IC2,ICx2,IC3,ICx3,IC4,ICx4,IC5,ICx5 | SOIC-8 | C6961 | |
| 2N3904 | Q101,Qx101,Q201,Qx201,Q301,Qx301 | SOT-23 | C20526 | |
| 100K | R12,Rx12,R13,Rx13,R17,Rx17,R18,Rx18,R108,Rx108,R110,Rx110,R208,Rx208,R210,Rx210,R308,Rx308,R310,Rx310 | 1206 | C17900 | |
| 1K | R1,Rx1,R8,Rx8,R11,Rx11,R20,Rx20,Ra21,Rax21 | 1206 | C4410 | |
| 2K | R19,Rx19 | 1206 | C17944 | |
| 10K | R3,Rx3,R4,Rx4,R5,Rx5,R6,Rx6,R7,Rx7,R15,Rx15,R16,Rx16,R109,Rx109,R209,Rx209,R309,Rx309 | 1206 | C17902 | |
| 220 | Rb21,Rbx21 | 1206 | C17958 | 
when making 10Boards…a total of 42,44€ presoledered on the PCBsincl Shipping and Import-Taxes
BOM Mouser
These are the parts which has to be handsoldered
copy list below, and paste in this link, you will need to order the project 2 times since 2PCBs are on 1PCB
583-FM4002|2
490-SJ1-3535NG-GR|3
523-G821EU210AAL10Y|1
650-MINISMDC014F-2|2
771-HEF40106BTD-T|1
595-CD4017BM|1
652-PTV09A-3015FB103|1
652-PTV09A3020FB104|1
for prototyping i ordered:
490-SJ1-3535NG-GR  instead of 490-SJ1-3535NG because it is out of stock - so GREEN sockets for now!
when making 10PCBs this make a total of  69,83€ incl Shipping/VAT which is free above 50€!
There are 2 SOICs that have to get Handsoldered, i have done this before and its easy!

the actual Picture is this

Overall Material Costs
PCB:42,44€ + MouserParts: 69,83 = 111,46€ / 10 PCBs = 11,14€ a PCB
(where half off work is done by pick and place machine!)
Kicad Files & Production Files
V1. from 05.01.2021env-follower.zip 
Shematic, Board, Gerber, Pick and Place and Booms, ready for Pick and Place!
—at the moment untestet, since i order the project just now!
as Example what you see if you got thru the ordering process:


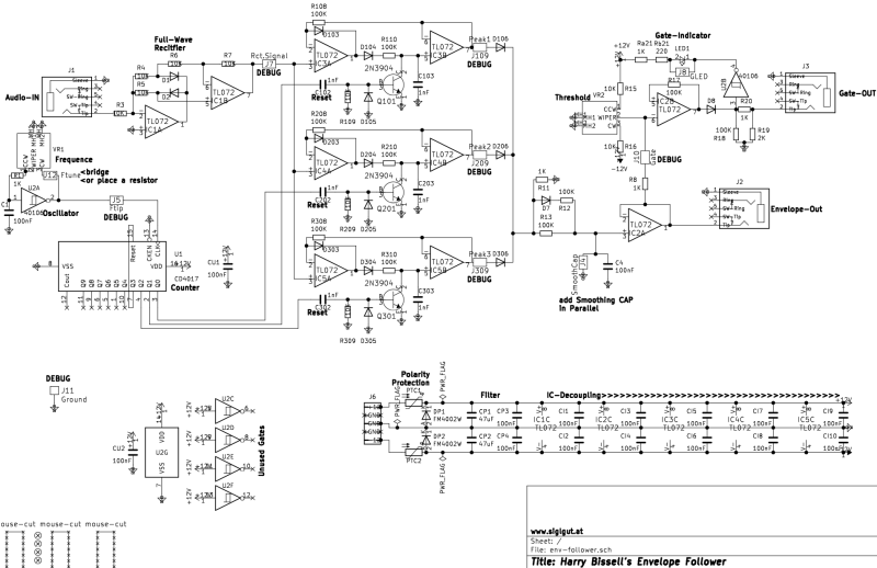
Shematic
To Do
frontplate
Debugging First Version
experiment with the Smooting CAP: a Header is connected paralell to a integrated 100nF Cap, connect there a CAP to encrease the smoothing
experiment with the Frequency Pot: a lin10K + 1K internal Serial Resistor which gives a range of 1K-12K - i also made a Header here, which you can bridge then you have 1-12K, or you put a resistor there for example a 5K, then you will get a range from 6-16K… 
I addet some Jumpers to break the circuit for debugging or measurement
Modding Headers/Jumpers:

Resources
muffwiggler-topic
modified-shematic
THT-PCB
THT-PCB-Shematic-BUT Attention it is not correct!
THT-PCB-BOM
Haralds-Hi-Clock-Measurements
I give this links because it is the source: but i cant recommend that forum! (deletes of posts, shitstorm, non constructive posts…)
Community users working on it
- Phatline = Programming, Documentation…
 
Just let a Private message on the forum to user already involved.
I have ProtoBoards here - i test one, and if it works, i can share them for Beta Testing-if you pay the postage

