mb-808re
Table of Contents
MB-808-RE
Introduction
The MB-808-RE is a re-edit of TOMS/CONG and BD/SD drum parts of the Roland TR-808 to be controlled via MIDI or CV in a a Eurorack-designed panel.It's based upon the work done on MB-606RE
Some Circuit Mods from around Web & time are included .
Original Schematics
Global
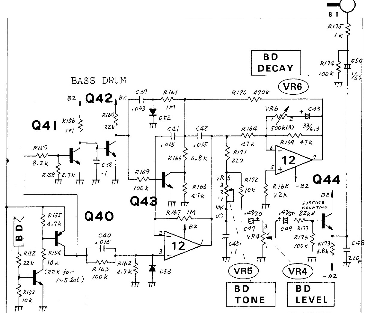
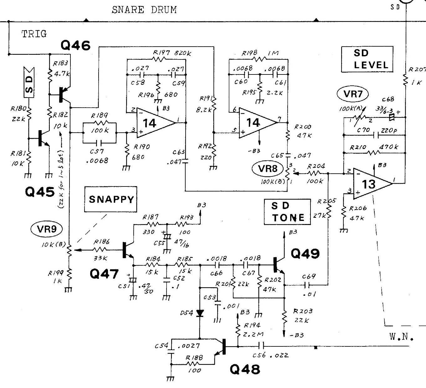
BD/SD
Toms/Congas
Mods
mb-808re.txt · Last modified: 2016/08/08 21:11 by psykhaze




