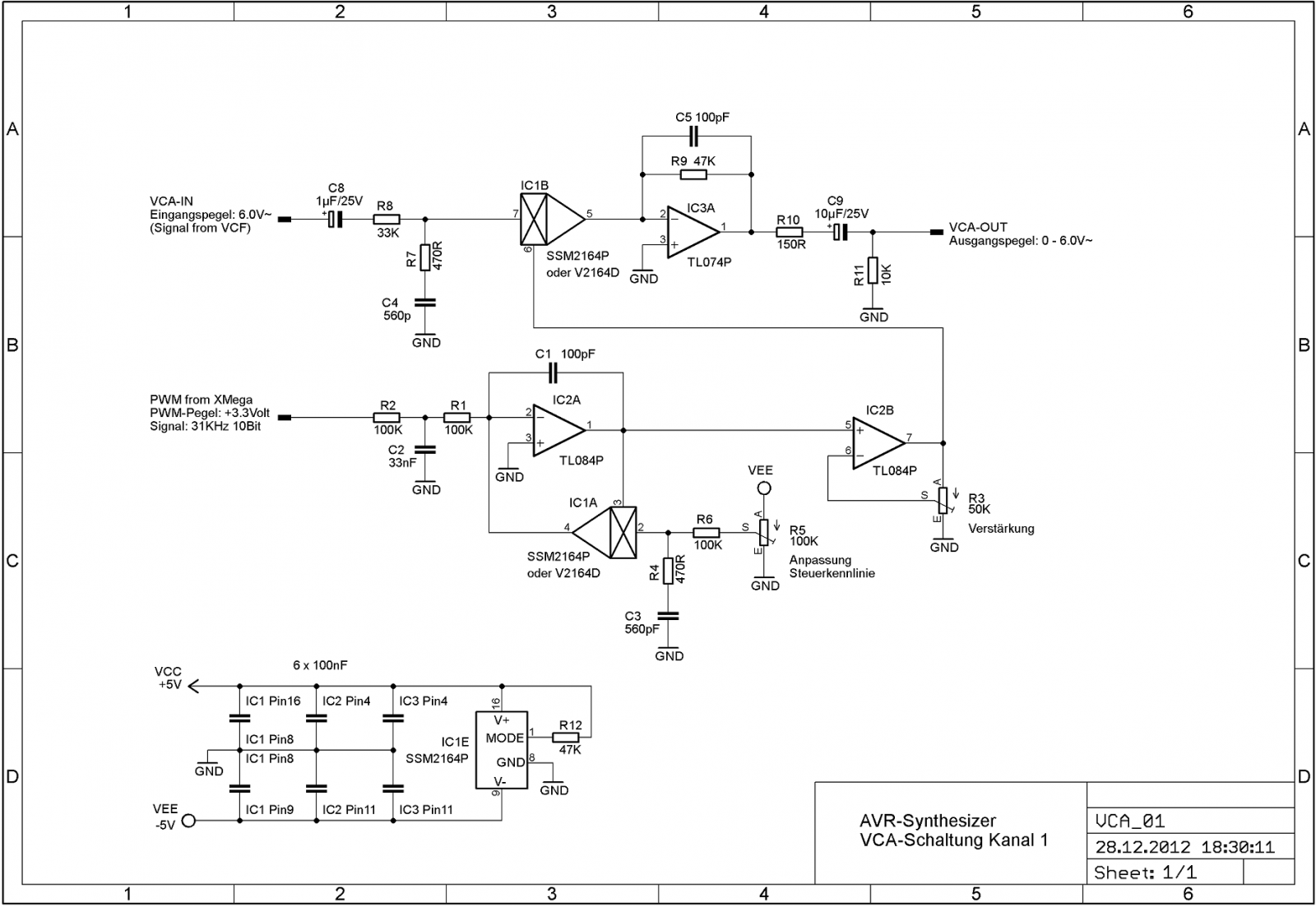
rolfdegen 24 Posted January 2, 2013 Report Hallo Its a little bug in the vca-circuit. R12 must be 4.7K. Sorry.. Greetings Rolf
Recommended Comments
Create an account or sign in to comment
You need to be a member in order to leave a comment
Create an account
Sign up for a new account in our community. It's easy!
Register a new accountSign in
Already have an account? Sign in here.
Sign In Now