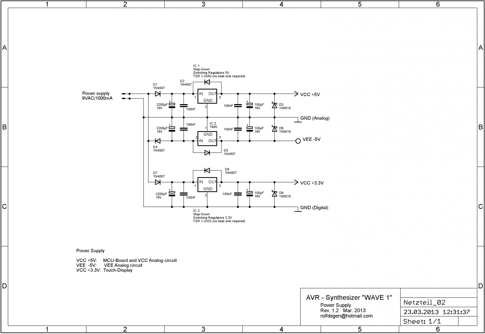
Power supply from AVR-Synth "WAVE 1"
This the power supply for my AVR-Synth "WAVE 1".
Link:
Link: http://www.cczwei-forum.de/cc2/thread.php?postid=81115#post81115
This the power supply for my AVR-Synth "WAVE 1".
Link:
Link: http://www.cczwei-forum.de/cc2/thread.php?postid=81115#post81115
Recommended Comments
There are no comments to display.
Create an account or sign in to comment
You need to be a member in order to leave a comment
Create an account
Sign up for a new account in our community. It's easy!
Register a new accountSign in
Already have an account? Sign in here.
Sign In Now